Principle Features
* Liquid crystal display on-site instantaneous flow, cumulative flow andtemperature, pressure information
* 3 groups of 4-20mA analog signal output; 3 groups of alarm points forflow, temperature and pressure
* Support digital output, RS485
* Can monitor gas, liquid
* Not affected by pipeline static pressure
* Simple structure, no moving parts
* Easy installation, no on-site calibration and debugging,maintenance-free
Applications
*Cooling water, circulating water, labyrinth seal, critical water flowmonitoring
* Cooling, lubrication, hydraulic oil circuit system flow monitoring
* Flow monitoring of organic and inorganic solutions-Steam flow monitoring, high and low temperature measurement, can becustomized
* Gas (oxygen, nitrogen, ammonia, natural gas, etc.) flowmonitoring
* Antifreeze protection, sprinkler system, sewage protection, etc.
* Built-in fuel consumption compensation function, accurate monitoring
Technical parameter
-Flow range: Liquid: 0.4-25,000 L/min, depending on the pipe size. Please refer to the flow range table for specific standard flow rates. Gas: Calculated according to specific application
-Pressure range: 0-1.0Mpa
-Temperature range: -20...80℃
-Accuracy: <±2%F.S (flow), <±0.5%F.S (pressure), <±1℃ (temperature)
-Repeatability: < 2%, actual flow
-Wetted material: Alumina/SUS304 (stainless steel)
-Pressure level: 1.0Mpa (high pressure customized 1.6Mpa or 2.5Mpa)
-Ambient temperature: -10...65℃
-Medium temperature: -20...80℃ (high temperature customization -40...350℃)
-Process connection: Thread type: G1/2-G2 Flange connection: DN15-DN250 (GB9119-2000)
-Power supply: 18-30VDC
-Digital display: OLED LCD screen (1-1/2')
-Linearization: 5-point flow linear curve
-Alarm contacts: 3 independent alarm switches, which can be set by the user within the full range. Switching capacity, 24VDC/400mA
-Signal output:Three-wire system 4-20mA, linear relationship with flow/pressure/temperature, can be set arbitrarily within the user range,Maximum 500Ω, pulse frequency can be customized, maximum 1 kHz, user can set,For example 1 pulse/liter or 1 liter/pulse can be customized RS485
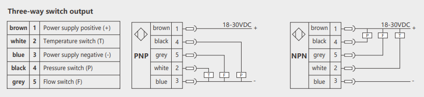
Wiring diagram



Selection table
